Canada: 418 545-4040
Accueil
Contact
English
Entreprise
Profil
Équipe
Carrières
Joints d'étanchéité
Équipements
Remise à neuf d'équipements
Réalisations
Médias
Prix et mentions
Vidéos
Articles
Demander une soumission
Accueil
Entreprise
Profil
Équipe
Carrières
Joints d'étanchéité
Équipements
Remise à neuf d'équipements
Réalisations
Médias
Prix et mentions
Vidéos
Articles
Demander une soumission
English
Joints sur mesure
Type d'application
Profil de joint
Spécifications
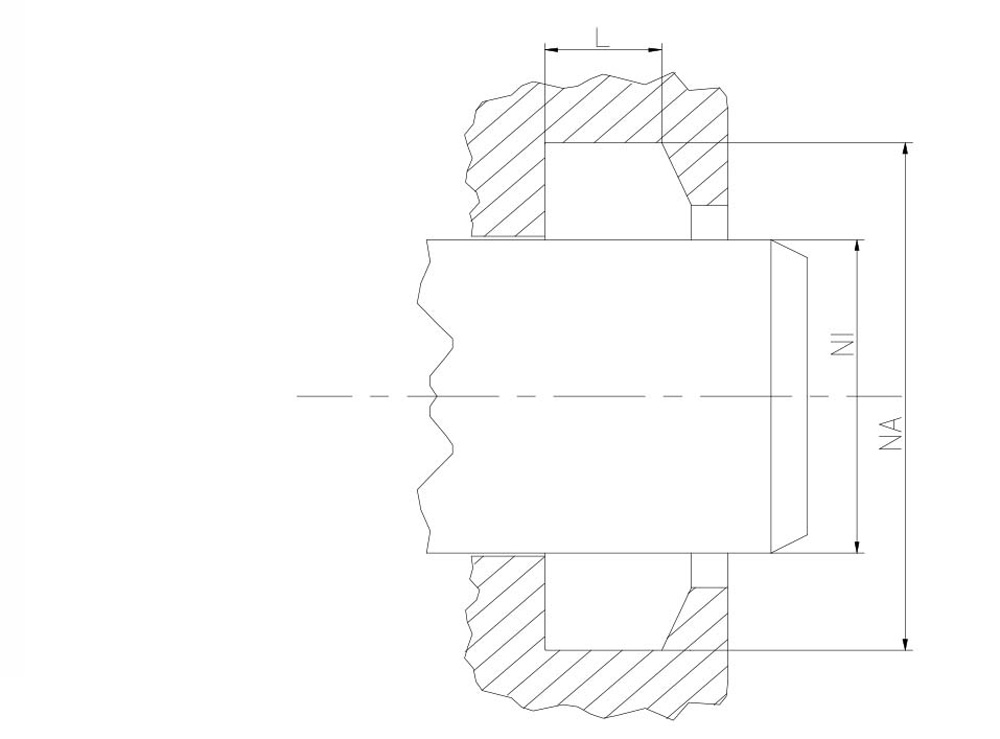
WR04
Dimensions
Attention ! Les dimensions doivent être celles des rainures (dimensions métales ou nominales)
NI
NA
L
Unité
po
mm
Applications
Matériel
-
PU rouge | -30 à 125°C | 95A±2
PU souple | -25 à 100°C | 79A±3
PU vert clair | -30 à 115°C | 90A±2
PU orange haute température | -30 à 135°C | 96A±2
PU bleu clair basse température | -50 à 105°C | 95A±2
PU rouge foncé autolubrifant | -30 à 125°C | 95A±2
PU bleu dur | -30 à 125°C | 57D±2
PU gris dur & auto-lubrifiant | -30 à 125°C | 57D±3
NBR noir | -25 à 100°C | 85A±5
NBR noir dur | -30 à 100°C | 95A±5
NBR blanc FDA | -22 à 100°C | 85A±3
HNBR noir | -25 à 150°C | 85A±5
HNBR RGP noir basse température | -40 à 150°C | 85A±5
FPM (Viton®) brun | -20 à 210°C | 85A±5
FPM brun FDA | -25 à 210°C | 85A±5
FPM noir | -25 à 210°C | 85A±5
EDPM noir | -50 à 130°C | 85A±5
EDPM blanc FDA | -50 à 100°C | 85A±5
Silicone rouge FDA | -55 à 210°C | 85A±5
Silicone bleu FDA | -55 à 180°C | 85A±5
AFLAS noir | -15 à 210°C | 85A±5
PTFE vierge blanc FDA | -200 à 260°C | 51D-60D
PTFE 15% verre 5% MoS2 gris | -200 à 260°C | 55D-64D
PTFE 40% bronze brun | -200 à 260°C | 55D-64D
PTFE 25% carbone gris | -200 à 260°C | 62D-67D
POM blanc FDA | -50 à 100°C | -
PA blanc FDA | -40 à 90°C | -
PEEK beige FDA | -50 à 250°C | 90D
UHMW blanc | -200 à 80°C | 60D-65D
Autre
Autre
Nous pouvons également sélectionner le matériel pour vous :
Température d'opération
°C
°F
Pression d'opération
Bar
Psi
Type de mouvement
-
Rotatif
Linéaire
Vitesse de rotation
RPM
Vitesse linéaire
po/s
m/s
Milieu
-
Huile
Graisse
Air
Eau
Diesel
Gasoline
Alcool
Nourriture
Milieu (Spécifier)
Informations supplémentaires sur l'application
Demande
Quantité désirée
Autre détails et questions
Documents
Contact
Nom complet
Courriel
Téléphone
Entreprise
Adresse
Ville
Code postal
État / province
Pays
-
Afghanistan
Albania
Algeria
American Samoa
Andorra
Angola
Antigua and Barbuda
Argentina
Armenia
Australia
Austria
Azerbaijan
Bahamas
Bahrain
Bangladesh
Barbados
Belarus
Belgium
Belize
Benin
Bermuda
Bhutan
Bolivia
Bosnia and Herzegovina
Botswana
Brazil
Brunei
Bulgaria
Burkina Faso
Burundi
Cambodia
Cameroon
Canada
Cape Verde
Cayman Islands
Central African Republic
Chad
Chile
China
Colombia
Comoros
Congo, Democratic Republic of the
Congo, Republic of the
Costa Rica
Côte d'Ivoire
Croatia
Cuba
Cyprus
Czech Republic
Denmark
Djibouti
Dominica
Dominican Republic
East Timor
Ecuador
Egypt
El Salvador
Equatorial Guinea
Eritrea
Estonia
Ethiopia
Fiji
Finland
France
French Polynesia
Gabon
Gambia
Georgia
Germany
Ghana
Greece
Greenland
Grenada
Guam
Guatemala
Guinea
Guinea-Bissau
Guyana
Haiti
Honduras
Hong Kong
Hungary
Iceland
India
Indonesia
Iran
Iraq
Ireland
Israel
Italy
Jamaica
Japan
Jordan
Kazakhstan
Kenya
Kiribati
North Korea
South Korea
Kosovo
Kuwait
Kyrgyzstan
Laos
Latvia
Lebanon
Lesotho
Liberia
Libya
Liechtenstein
Lithuania
Luxembourg
Macedonia
Madagascar
Malawi
Malaysia
Maldives
Mali
Malta
Marshall Islands
Mauritania
Mauritius
Mexico
Micronesia
Moldova
Monaco
Mongolia
Montenegro
Morocco
Mozambique
Myanmar
Namibia
Nauru
Nepal
Netherlands
New Zealand
Nicaragua
Niger
Nigeria
Norway
Northern Mariana Islands
Oman
Pakistan
Palau
Palestine
Panama
Papua New Guinea
Paraguay
Peru
Philippines
Poland
Portugal
Puerto Rico
Qatar
Romania
Russia
Rwanda
Saint Kitts and Nevis
Saint Lucia
Saint Vincent and the Grenadines
Samoa
San Marino
Sao Tome and Principe
Saudi Arabia
Senegal
Serbia and Montenegro
Seychelles
Sierra Leone
Singapore
Slovakia
Slovenia
Solomon Islands
Somalia
South Africa
Spain
Sri Lanka
Sudan
Sudan, South
Suriname
Swaziland
Sweden
Switzerland
Syria
Taiwan
Tajikistan
Tanzania
Thailand
Togo
Tonga
Trinidad and Tobago
Tunisia
Turkey
Turkmenistan
Tuvalu
Uganda
Ukraine
United Arab Emirates
United Kingdom
United States
Uruguay
Uzbekistan
Vanuatu
Vatican City
Venezuela
Vietnam
Virgin Islands, British
Virgin Islands, U.S.
Yemen
Zambia
Zimbabwe
Envoyer
Envoi en cours...
Merci ! Nous vous contacterons prochainement.